Ручной мультипликатор крутящего момента предназначен для увеличения входного момента в соответствии с заданным коэффициентом. Он применяется при обслуживании и ремонте тяжелой техники, морских судов, строительных объектов и фланцевых соединений, часто в сочетании с динамометрическими ключами.
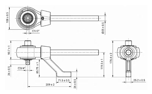
Размер входного приводного квадрата: 1/2"
Передаточное число: 1:5
Размер выходного приводного квадрата: 3/4"
Максимальный крутящий момент на входе: 300 нм
Максимальный крутящий момент на выходе: 1500 нм
Погрешность: 5 %
КОМПЛЕКТАЦИЯ:
Усилитель крутящего момента: 1 шт.
Съемная реакционная опора изогнутая: 1 шт.
Съемная реакционная опора прямая: 1 шт.
Кейс для транспортировки и хранения: 1 шт.
Размер входного приводного квадрата: 1/2"
Передаточное число: 1:5
Размер выходного приводного квадрата: 3/4"
Максимальный крутящий момент на входе: 300 нм
Максимальный крутящий момент на выходе: 1500 нм
Погрешность: 5 %
КОМПЛЕКТАЦИЯ:
Усилитель крутящего момента: 1 шт.
Съемная реакционная опора изогнутая: 1 шт.
Съемная реакционная опора прямая: 1 шт.
Кейс для транспортировки и хранения: 1 шт.












